立式防爆振動電機,可廣范用于煤炭、軍工、石油、化工、電力、醫藥、建材、治金、礦山、干燥設備等行業。立式防爆振動電機適合于防爆和非防爆的任何場合。并且立式防爆振動電機為振動給料機、振動篩、振動落沙機、選礦機、振動輸送機、振動選礦機、料倉的防閉塞裝置等各類振動機械的激振源。該立式防爆振動電機具有科技含量高、體積小;質量輕、噪音低、激振力大、并可無級調節、安裝使用維修方便、耐振力強、起動迅速、停車平穩等優點。


技術參數:

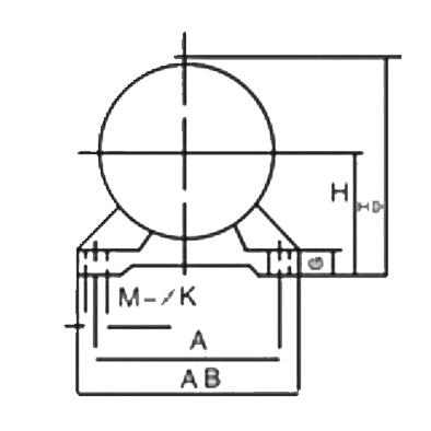
結構尺寸:

Strictly check the product details we only do excellent products
Treat every minute of product quality harshly